Specification:
Material:
Nickel-Plated Brass
Retainer: TPE
Sealer: Modified RUbber
Mouth: Galvanized Iron sheet
Protection Rating: IP66
Work / Operating Temperature: -40 °C to 105 °C
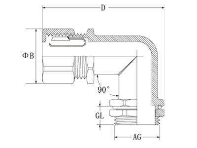
90° degree connector mainly used for the connector with
SPR-AS flexible conduit.
45° degree connector mainly used for the connector with
SPR-PVC-AS, SPR-PU-AS, metal flexible conduit.
(In mm)
| 90° | 45° | Item | Conduit Size | ΦB | GL | D | Spanner size | Item No. |
| 6.5 | 6 | M12/M14/M16 | AD10 | 19 | 8 | 33 | 17 | BPF |
| 10.0 | 8.5 | M14/M16/M18 | ADM | 24 | 9 | 43 | 21 | |
| 12.5 | 11.5 | M18/M20/M22 | AD17/AD19 | 28 | 10 | 55 | 25 | |
| 16.5 | 15.5 | M20/M22/25/M27 | AD21 | 32.5 | 10 | 56 | 29 | |
| 21.5 | 20.5 | M25/M27/M30/M32 | AD27 | 39 | 14 | 73 | 34 | |
| 29.5 | 27.5 | M32/M36/M40/M42 | AD36 | 48 | 14 | 90 | 43 | |
| 38.0 | 36.5 | M40/M42/M48/M50 | AD45 | 58 | 14 | 105 | 55 | |
| 6.5 | 6 | G1/47G3/8′ | AD10 | 19 | 8 | 33 | 17 | |
| 10.0 | 8.5 | G3I8″ | ADM | 24 | 9 | 43 | 21 | |
| 12.5 | 11.5 | G3/87G1/2– | AD17/AD19 | 28 | 10 | 55 | 25 | |
| 16.5 | 15.5 | G1/27G3/4– | AD21 | 32.5 | 10 | 56 | 29 | |
| 21.5 | 20.5 | G3/4″ | AD27 | 39 | 14 | 73 | 34 | |
| 29.5 | 27.5 | G17G1-1/4– | AD36 | 48 | 14 | 90 | 43 | |
| 38.0 | 36.5 | G1-1/47G1-1/2″ | AD45 | 58 | 14 | 105 | 55 | |
| 6.5 | 6 | PG7/PG9 | AD10 | 19 | 8 | 33 | 17 | |
| 10.0 | 8.5 | PG9/PG11 | ADM | 24 | 9 | 43 | 21 | |
| 12.5 | 11.5 | PG11/PG13.5 | AD17/AD19 | 28 | 10 | 55 | 25 | |
| 16.5 | 15.5 | PG13.5/PG16 | AD21 | 32.5 | 10 | 56 | 29 | |
| 21.5 | 20.5 | PG16/PG21 | AD27 | 39 | 14 | 73 | 34 | |
| 29.5 | 27.5 | PG21/PG29 | AD36 | 48 | 14 | 90 | 43 | |
| 38.0 | 36.5 | PG29/PG36 | AD45 | 58 | 14 | 105 | 55 |